Leadtrend通嘉科技发布PD3.1协议芯片LD6617
USB PD3.1 规范具有最高240W的输出功率,并且向下兼容USB PD3.0的100W输出。这样在功率得到显著提升的情况下,依旧保有对传统设备的良好兼容性。苹果的新款笔记本就是采用了28V5A的140W充电功率,来满足正常使用时的半小时充电50%的快速充电。
苹果140W USB-C充电器的推出,标志着USB PD3.1快充实现了从标准到产品应用的突破。作为行业风向标,苹果的这一举措将刺激友商和第三方配件品牌持续跟进,打开消费类电源市场升级USB PD3.1快充的新局面。
为了应对快充市场的发展需求,近日通嘉科技发布了一款 USB PD3.1 协议芯片 LD6617,助力 USB PD 3.1快充市场的蓬勃发展,下面充电头网为大家介绍一下这款新品的亮点特色。
通嘉 PD3.1 协议芯片 LD6617 面世
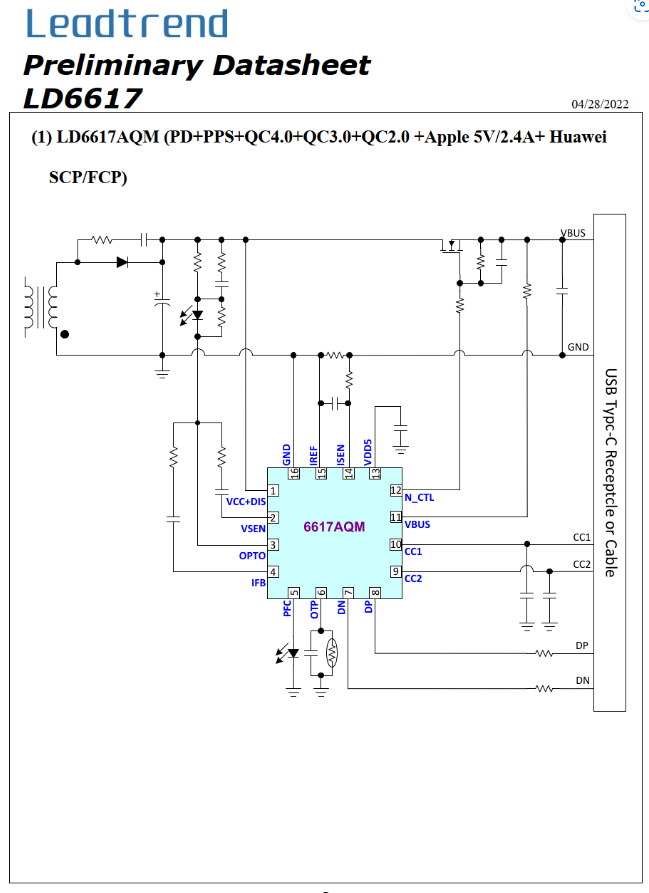
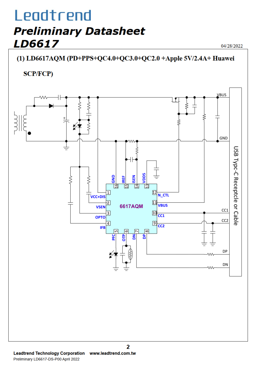
通嘉 LD6617 是一款高度集成的 USB PD 3.1 控制器,集成 32kbyte OTP 和 256+384bytes SRAM 的嵌入式8位MCU、11位模数转换器、阻塞 N-MOSFET 驱动器、并联稳压器、电压/电流监视器和控制器,外围精简。
随着USB PD 3.1 规范的发布,在提升PD充电器产品的设计功率时,往往会伴随着电源噪声的增加,而通嘉 LD6617内置优化的 BMC PHY,可以通过差分信号实现通信,有效减少电源噪声。
通嘉 LD6617 具有 3.3V~45V 的宽工作电压,可以支持 USB PD 3.1 SPR 和 EPR 28V/36V 协议规范,以及如 QC3.0、FCP、AFC 等其他专有协议。可应用在适配器、墙充、车充等PD充电产品中。
通嘉 LD6617 支持通过 E-mark 电缆的 VCONN 电源控制,支持 CC/CV 控制、电容快速放电、可编程电缆补偿、PFC开关控制等多种功能,具备可编程 OVP、UVP、OCP、SCP、OTP 等多重保护措施。
充电头网总结
充电器能否成功实现快充功能?产品的兼容性如何?这都要取决于快充协议芯片。尤其是在USB PD3.1快充标准发布之后,快充应用范围大大拓展,同时也为快充协议芯片带来了更大的市场发展空间。
随着技术不断迭代以及市场需求的转变,快充的应用场景将不再局限于手机,而是会越来越广,不久的将来会进入到一个万物皆可快充的时代。通嘉科技此次推出的PD协议芯片 LD6617,具备宽工作电压范围,支持多个PD 3.1电压档位,可以广泛应用在PD 3.1充电器产品中,推动PD 3.1技术普及。



